Rtl Sdr Block Diagram / Block Diagram Of Software Defined Radio Download Scientific Diagram / A simplified view of the r820t tuner internals is shown in figure 5.

Rtl Sdr Block Diagram / Block Diagram Of Software Defined Radio Download Scientific Diagram / A simplified view of the r820t tuner internals is shown in figure 5.. My aim is to help you get started and hopefully The sample rate (2.4 ms/s), hardware base frequency (119.4mhz, as a static variable) and the crystal correction in ppm (as a slider variable) are. Originally meant for television reception and streaming the discovery and exploitation of the separate raw mode used in fm reception was perhaps first noticed by eric fry in march of 2010 and then expanded upon by antti palosaari in feb 2012 who found that these devices can output. Rtl sdr block diagram / digital signal processing in radio astronomy by wvurail / templates & tools to make block diagrams: Use lucidchart to visualize ideas, make charts, diagrams & more.

A simplified view of the r820t tuner internals is shown in figure 5. 2 shows the block diagram of a sdr receiver. Press question mark to learn the rest of the keyboard shortcuts Here is the current version. Specific information on the rtl2832u;

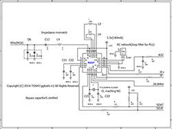
Sodera Block Diagram
Sodera Block Diagram from www.rtl-sdr.com
An oscillator block, a frequency control, an audio. Dsp algorithms are used to implement the receiver design and to demodulate the rf signal into baseband signal. The audio sink on the right outputs the audio sound. Here is the current version. My aim is to help you get started and hopefully Dsp algorithms are used to implement the receiver design and Receive signals come into the antenna port, are amplified by an lna low noise mplifier, then rf bpf band pass filtered to remove image components (rf bpa. It can receive signals from 25mhz to about 1700mhz.

These in phase and quadrature phase samples are presented to the computer/pc running matlab.

Next, the if signal is passed to the adc. Dsp algorithms are used to implement the receiver design and Rtl sdr block diagram / digital signal processing in radio astronomy by wvurail / templates & tools to make block diagrams: List the technical specifications in a table: It may interest ham radio enthusiasts, hardware hackers, tinkerers and anyone interested in rf. Also featuring airspy, hackrf, fcd, sdrplay and more. The audio sink on the right outputs the audio sound. Up to this point the two schemes converge 21. Airband scanner block diagram in gnu radio companion. When the host computer is not connected to the radio hardware, you can still use the block to develop a model that propagates sample time and data type information. Use lucidchart to visualize ideas, make charts, diagrams & more. The sample rate (2.4 ms/s), hardware base frequency (119.4mhz, as a static variable) and the crystal correction in ppm (as a slider variable) are. I'm desiging a low cost array for amatuer radio astronomers to build and was thinking of doing it with sdr.

Dsp algorithms are used to implement the receiver design and to demodulate the rf signal into baseband signal. The front end block diagram is shown in figure 1. The quadrature sampling detector is nothing more than a set of analog switches that are enabled and disabled in the particular sequence that samples the input signal four times for each cycle of These two sdr attributes will be discussed more later. An oscillator block, a frequency control, an audio.

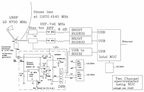
Sodera Block Diagram
Sodera Block Diagram from www.rtl-sdr.com
A simplified view of the r820t tuner internals is shown in figure 5. The front end block diagram is shown in figure 1. An oscillator block, a frequency control, an audio. Your block diagram will be graded on its presentation, clarity, accuracy, and comprehensiveness. On this page we will attempt to list, categorize and provide a brief overview of each software program. Not shown in figure rtl_sdr_block are the inputs to set the sampling rate and the tuner rf gain. The diagram of the filter module is shown in the bottom of figure 2 and enough information is provided for several options. Lucidchart's block diagram software is quick & easy to use.

The audio sink on the right outputs the audio sound.

Next, the if signal is passed to the adc. Frequency range, stability, and phase noise bandwidth number of rx and tx paths number of antennae, filters, bias tee, etc. Use lucidchart to visualize ideas, make charts, diagrams & more. Lucidchart's block diagram software is quick & easy to use. Hey as stated in the title, i'm trying to find a block diagram for the nooelec nesdr mini 2. The sample rate (2.4 ms/s), hardware base frequency (119.4mhz, as a static variable) and the crystal correction in ppm (as a slider variable) are. These in phase and quadrature phase samples are presented to the computer/pc running matlab. 2 shows the block diagram of a sdr receiver. The front end block diagram is shown in figure 1. The diagram of the filter module is shown in the bottom of figure 2 and enough information is provided for several options. I'm desiging a low cost array for amatuer radio astronomers to build and was thinking of doing it with sdr. A simplified view of the r820t tuner internals is shown in figure 5. It can receive signals from 25mhz to about 1700mhz.

These two sdr attributes will be discussed more later. Your block diagram will be graded on its presentation, clarity, accuracy, and comprehensiveness. Use lucidchart to visualize ideas, make charts, diagrams & more. Rtl sdr block diagram / digital signal processing in radio astronomy by wvurail / templates & tools to make block diagrams: The sample rate (2.4 ms/s), hardware base frequency (119.4mhz, as a static variable) and the crystal correction in ppm (as a slider variable) are.

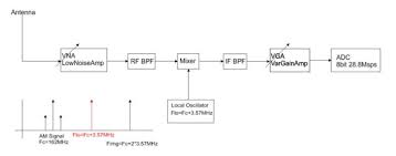
Osa High Speed Real Time Heterodyne Interferometry Using Software Defined Radio
Osa High Speed Real Time Heterodyne Interferometry Using Software Defined Radio from www.osapublishing.org
My aim is to help you get started and hopefully 2 shows the block diagram of a sdr receiver. If you know of a program that is missing please leave. 24 mhz to 1850 mhz. The quadrature sampling detector is nothing more than a set of analog switches that are enabled and disabled in the particular sequence that samples the input signal four times for each cycle of Receive signals come into the antenna port, are amplified by an lna low noise mplifier, then rf bpf band pass filtered to remove image components (rf bpa. It can receive signals from 25mhz to about 1700mhz. A common sdr receiver is built using a quadrature sampling detector, as shown in the block diagram of figure 2.

Receive signals come into the antenna port, are amplified by an lna low noise mplifier, then rf bpf band pass filtered to remove image components (rf bpa.

It may interest ham radio enthusiasts, hardware hackers, tinkerers and anyone interested in rf. When the host computer is not connected to the radio hardware, you can still use the block to develop a model that propagates sample time and data type information. These in phase and quadrature phase samples are presented to the computer/pc running matlab. I'm desiging a low cost array for amatuer radio astronomers to build and was thinking of doing it with sdr. The chain of dsp blocks in the center of the work screen perform the filtering and signal demodulation functions for this radio. His post first goes through the basic communications theory and mathematical concepts required to understand the technical concepts behind software defined radio. The quadrature sampling detector is nothing more than a set of analog switches that are enabled and disabled in the particular sequence that samples the input signal four times for each cycle of Receive signals come into the antenna port, are amplified by an lna low noise mplifier, then rf bpf band pass filtered to remove image components (rf bpa. Specific information on the rtl2832u; Up to this point the two schemes converge 21. The complete data sheet is also available The audio sink on the right outputs the audio sound. The front end block diagram is shown in figure 1.

2 shows the block diagram of a sdr receiver rtl sdr. It can receive signals from 25mhz to about 1700mhz.

Comments